Brennertechnik
HANS HENNIG bietet eine Lösung für alle Anwendungen: Schmelzen, Lufterhitzung, thermische Nachverbrennung, Wiedererwärmen oder Aufheizen von Feuerfestmassen. Robust, energiesparend und umweltfreundlich – alles Eigenschaften, die unsere bewährten Brenner kennzeichnen.
Die Leistungsfähigkeit unserer Brenner wird durch Betrieb mit höheren Luftvorwärmtemperaturen bis zu 550 °C abgerundet. Unsere langjährige Erfahrung und stetige Weiterentwicklung garantieren eine optimale Nutzung Ihrer Energieressourcen. HANS HENNIG liefert alles aus einer Hand. Wir liefern Ihnen Ihre Anlage sowohl als komplette Einheit als auch als einzelne Komponente.
Unsere Produktpalette im Bereich Brennertechnik:

Keramischer Rekuperatorbrenner (links) und metallischer Rekuperatorbrenner (rechts)
Beschreibung und Anwendung
Der Hans Hennig Rekuperator Brenner wird zur direkten und indirekten Beheizung von Industrieöfen für die Wärmebehandlung von Stahl genutzt. Er arbeitet nach dem Gegenstromprinzip und nutzt systemintern das heiße Abgas zur Vorwärmung der Verbrennungsluft. Dies führt zu einem guten feuerungstechnischen Wirkungsgrad und damit zu geringen Gasverbrauch. Die NOx-Emissionen liegen schon heute weit unter den zukünftig geforderten Werten nach TA Luft.

Temperaturmessungen an einer Strahlrohrbeheizung
Markmale
- indirekte Beheizung im Mantelstrahlrohr
- direkte Beheizung mit Abgasejektor
- Ausführung mit metallischem oder keramischem Rekuperator
- super Cool Abgasgehäuse
- Low- NOx - Ausführung
- flammenlose Verbrennung
- einfache Substitution vorhandener Brennersysteme durch multivariable Gehäuseanschüsse

Keramischer Rekuperatorbrenner im keramischen Mantelstrahlrohr

Keramischer Rekuperatorbrenner mit Abgasejektor für die direkte Beheizung
Technische Daten
| Maximale Anwendungstemperatur metallisch: 1.150°C |
| Maximale Anwendungstemperatur keramisch: 1.300°C |
| Brennerleistungen von 20 kW - 300 kW |
Brennstoffe
| Erdgas und Methan |
| Koksofengas |
| Biogas |
| Propan/Butan |
| Schwachgas |
Abmessungen keramischer Mantelstrahlrohre
| Außendurchmesser ø145/162/192 mm |
| Gesamtlänge 1900 mm bis 3500 mm |
Download Datenblatt Rekuperatorbrenner RBnox
Ansprechpartner
Herr Peter Vorkorte
Tel. +49 2102 9506-42
Mobil +49 162 200 55 42
p.vorkorte@hanshennig.de
Beschreibung und Anwendung
Der Hochgeschwindigkeitsbrenner ist für die Verbrennung von gasförmigen Brennstoffen im Leistungsbereich von 50 bis 250 kW Industrieöfen und Heißgaserzeuger konzipiert. Der Düsenmischbrenner besitzt getrennte Zuführungen für Brenngas und Verbrennungsluft. Standardmäßige Ionisations-Flammenüberwachung über eingebaute Ionisationselektrode. Eine UV-Überwachung ist möglich. Kundenspezifische Längenanpassung an die Ofengeometrie ist möglich.
Allgemein
| Leistung von 50 kW bis 250 kW |
In seiner Grundkonzeption verfügt der HG Brenner folgende herausragende Merkmale auf:
- Ausführung mit und ohne Verbrennungsluftvorwärmung
- Lange schlanke Flamme
- Direktzündung über eingebaute Zündelektrode
- Flammrohr aus SiC Keramic ist möglich
| Standardmäßige Brennstoffe |
| Erdgas, LPG, COG, Biogas |
Anwendungsgebiete
- Tunnelöfen
- Herdwagenöfen
- Keramiköfen
- diverse Industrieöfen
- Heizgaserzeuger
![]() |
![]() |
|
Typ |
HG 50 50 KW |
HG 100 100 KW |
HG 150 150 KW |
HG 200 200 KW |
HG 250 250 KW |
| Brennerflansch Ø | 210 | ||||
| Gehäuse L | 215 | ||||
| Gehäuse M | 130 | ||||
| Gehäuse N | 110 | ||||
| Flammrohr Länge | 250 | 300 | |||
| Flammrohr Ø | 60,3 | 76,1 | 88,9 | ||
| Luftflansch | DN 50 | DN 65 | |||
| Gasanschluss | Rp ½“ | Rp ¾“ | |||
| Gewicht (kg) | |||||
Andere Dimensionen auf Nachfrage
Die Flachflammenbrenner HG-F sind für Anwendungen konstruiert, bei welchen die Flamme nicht in Kontakt mit dem zu erwärmenden Material kommen soll, z. B. in Glas- oder Keramiköfen.
Technische Daten
- Leistung von 100 kW bis 1.000 kW, andere Leistungen auf Anfrage
- Austrittsgeschwindigkeit nach Anwendung und Ofengeometrie
- Fertig bestückt mit Zündelektrode und Ionisationsstab, bzw. mit dem Zündbrenner
Optional:
- Hennig Zündbrenner
- Überwachung mit Hennig UV-Sonde oder Hennig UV-Flammenwächter
Einsatzgebiete
- Einsetzbar als Decken- oder Seitenbrenner

Der Seitenbrenner Model HG-S ist mit einem keramischen oder metalischen Luftdüsenstein ausgestattet. Der Luftdüsenstein schützt die metallischen Brennerteile vor der Rückstrahlung aus dem Ofenraum. Beim optimal ausgelegten Luftdüsenstein ist ein stabiles Flammenbild über einen Regelbereich von ca. 12:1 sicher gewährleistet. Die Flammen selbst sind unempfindlich gegen großen Luftüberschuss, was bei Inbetriebnahme nur von Vorteil ist.
Technische Daten
- Leistungsbereich: 500 kW - 10 MW, höhere Leistungen auf Anfrage

Beschreibung und Anwendung
Das DTG-Brennersystem dient zur Erwärmung von Frischund Ablüften für einen nachgeschalteten Prozess. Es wurde speziell für die Verbrennung von Erdgas mit strömungsoptimierten Heizflächen entwickelt. Das DTG-Brennersystem besteht aus dem DTG-Brenner als Einschub in ein Kanalstück mit Zünd-/Pilotbrenner, einem Brennstoffführungssystem und einer Brennersteuerung.
Die Prozessluft dient als Verbrennungsluft und muss einen Sauerstoffanteil von ≥17 Vol-% enthalten. Sollte der Sauerstoffanteil der Prozessluft <17 Vol-% sein, muss der Brenner mit einer zusätzlichen Verbrennungsluftversorgung ausgestattet werden.
Der Kanalbrenner ist komplett ausgestattet mit gaselektrischem Zündbrenner, UV-Flammenüberwachung und Differenzdrucküberwachung des Prozessluftstroms.
![]() |
![]() |
![]() |
Passt sich an jede Kanalform an
Der DTG-Brennereinsatz setzt sich aus modulweise angeordneten Brennerelementen zusammen. Diese Bauform ermöglicht ein kaskadierendes System, das den jeweiligen Leistungsanforderungen modular angepasst werden kann und einen hohen Regelbereich zulässt. Die DTG-Brennereinrichtung wird axial zur Prozessgasströmungsrichtung angebracht.
Allgemein
| Leistung von 0,5 MW bis >150 MW |
Lieferumfang:
- Kanalbrennereinsatz mit Zündbrenner und Flammensensor
- Gasarmaturenrack mit Verteiler zu den einzelnen Gasrampen
- Brennersteuerung im Vorortschaltschrank
| Standardmäßige Brennstoffe |
| Erdgas, LPG, Biogas |
Anwendungsgebiete
- Trocknungsprozesse für: Holzverarbeitung, Baustoffe, Porzellan-, Lackierindustrie
- thermische Nachverbrennung
- Aufheizen säurehaltiger Prozessluft
Technische Daten
| Brennstoff | gasförmige Brennstoffe |
| O2-Gehalt in Prozessluft | ≥ 17,0 vol% |
| Leistungsbereich | 0,5 … >150 MW |
| Regelbereich | bis 1 : 30 |
| Druckverlust Prozessluft | 2 … 4 mbar |
| Prozessluftdruck | -10 … +1.300 mbarg |
| Eintrittstemperatur | -40 … +120 °C |
| Austrittstemperatur | bis 700 °C |
| Querschnittsbelastung | 1,5 … 3,0 MW/m2 |

Der Brenner ist ein Strahlungsbrenner mit hoher Wärmeabgabe. Die nahezu vollständig ausgebrannten Rauchgase umspülen die Innenfläche des tassenförmigen Brennersteines, welcher eine hohe Temperatur annimmt. Die Wärmeübertragung vom Brennerstein auf das Wärmgut erfolgt im Wesentlichen durch Strahlung. Eine direkte Flammenberührung mit dem Wärmgut ist durch die Flammengeometrie ausgeschlossen
Technische Daten
- Mit Zünd- und Ionisationsüberwachung
- Leistung von 400 kW bis zu 8 MW
Anwendungsgebiete
- Stahlindustrie
- Petrochemie
- Aluminiumindustrie
- Allgemeine thermische Verfahrenstechnik

Konusbrenner der Baureihe HG-K werden direkt in den Abgaskanal montiert und nutzen den Abgasmassenstrom als Verbrennungsluft. Der Brenner besteht aus dem Brennergehäuse, Gas- und/oder Öldüse, Zünder mit Zündkerzenstecker und UV-Sensor.
Technische Daten
- 9 Größen bis zu einer maximalen Leistung von 10 MW sind verfügbar, andere Leistungen und Größen auf Anfrage.
- Die Brenner werden entweder direkt durch einen Zünder oder durch einen Gas-Zündbrenner (Typ ZB) gezündet.
Einsatzgebiete
- Konzipiert zur thermischen Nachverbrennung der Rauchgasen von Industrieöfen, Trockner, Lackier- und Beschichtungsanlagen, sowie von Turbinengasen und Prozessgasenallgemein (TNV).
Unsere Fackelanlagen sind auf hohe Standzeiten bei zuverlässigem Betrieb ausgelegt. Wir legen großen Wert auf den Einsatz hochwertiger Werkstoffe und ein sehr widerstandsfähiges Design.
Wir garantieren eine optimale Funktionsweise unserer Fackelanlagen. Denn wir planen, konstruieren und fertigen unsere Fackelanlagen komplett im eigenen Haus.
Die hohe Betriebssicherheit unserer Anlagen ist uns wichtig. Dabei setzen wir auf unsere eigenen, erprobten und äußerst funktionssicheren Zündeinrichtungen.

Technische Daten
Brennstoff: Erdgas, Koksofengas, LPG, andere Brenngase auf Anfrage
Leistung
- JG 0 - 0,25 MW
- JG 1 - 1,6 MW
- JG 2 - 4,1 MW
- JG 3 - 10 MW
- Sonderausführungen
Einsatzgebiete
Die Gasjet- Lanzen der Serie JG sind geeignet für die Beheizung von Glasschmelzwannen mit regenerativer Vorwärmung der Verbrennungsluft in Underportoder- oder Sideportanordnung.
Eingesetzt in Verbrennungsluftgehäuse der Baureihe LG sind die Gasjet- Lanzen der Serie JG für die folgenden Anwendungen geeignet:
- Glasschmelzwannen mit rekuperativer Verbrennungsluftvorwärmung
- UNIT- Melter
- Arbeitswannen
- Ziehkanäle
- Sandtrockner
- Drehrohröfen
- Trockner

Technische Daten
Brennstoff: Erdgas, Koksofengas, LPG, andere Brenngase auf Anfrage
Leistung
- JG-R1 - 1,6 MW
- JG-R2 - 4 MW
- JG-R3 - 10 MW
- Sondergrößen
Einsatzbereiche
Die Gasjet- Lanzen der Serie JG-R sind geeignet für die Beheizung von Glasschmelzwannen mit regenerativer Vorwärmung der Verbrennungsluft in Underportoder- oder Sideportanordnung.
Eingesetzt in Verbrennungsluftgehäuse der Baureihe LG sind die Gasjet- Lanzen der Serie JG für die folgenden Anwendungen geeignet:
- Glasschmelzwannen mit rekuperativer Verbrennungsluftvorwärmung
- UNIT- Melter
- Arbeitswannen
- Ziehkanäle
- Sandtrockner
- Drehrohröfen
- Trockner

Lanzenbrenner für den Einsatz an Schmelzöfen in der Glasindustrie Brennstoffe: Heizöle EL, M oder S gemäß DIN 51603
Einsatzbereiche
- Glasschmelzwannen mit rekuperativer Verbrennungsluftvorwärmung
- UNIT- Melter
- Arbeitswannen
- Ziehkanälen
- Sandtrockner
- Drehrohröfen
- Trockner

Diese Gehäuse der Baureihe LG sind speziell für den Einsatz an Schmelzöfen der Glasindustrie und Trockner der Keramikindustrie entwickelt. Das Grundkonzept besteht aus dem Außengehäuse mit dem Luftanschluss, dem Kernrohr (Strömungsgleichrichter) und der Lanzenklemm- und Verstelleinrichtung. Grundsätzlich weist dieser Luftgehäusebrenner folgende Merkmale auf:
- Durch Verwendung unterschiedlicher Brennerlanzeneinsätze für den Betrieb mit Heizölen und Brenngasen geeignet
- Unterschiedliche Ausführungen für den Betrieb mit Verbrennungs- luftvorwärmtemperaturen bis 800 °C verfügbar
In Anlehnung an die vielfältigen unterschiedlichen Betriebsanforderungen stehen folgende Bausatzmodule zur Verfügung:
- Luftstufungseinsatz für eine gestufte Verbrennungsluftführung zur Reduzierung der Bildung von Stickoxiden (NOx)
- Zündbaugruppe, bestehend aus Flammenstabilisator, Zündluftführung, Flammenüberwachung, sowie elektrischer bzw. gas- elektrischer Zündung für den Einsatz an diskontinuierlichen kaltgehenden Öfen
Technische Daten
- Brennerleistung: 0,1 – 10 MW
- Brennstoff: Erdgas, Flüssiggas, Stadtgas; Heizöl EL, M, S
- Verbrennungs-Lufttemperatur: max. 800 °C
Einsatzgebiete
- Glasschmelzwannen mit rekuperativer Verbrennungsluftvorwärmung•UNIT-Melter•Arbeitswannen
- Ziehkanäle
- Sandtrockner
- Drehrohröfen
- Trockner

Monoblockbrenner für Kühl- und Dekorbahnen bis 169 kW. Die Gasbrenner mit Gebläse der Serie tg1-wpK und tg1a-wpK sind einstufige Monoblockbrenner mit integriertem Gebläse für die Verbrennungsluft, elektrischer Zündung und Überwachung. Sie sind besonders geeignet für den Einsatz an Kühlbahnen und Dekoröfen der Glasindustrie.
Einsatzgebiete
- Kühl- und Dekorbahnen der Glasindustrie
- Glüh- und Härteöfen
- Nebenöfen der Glasindustrie mit ähnlichen Brenneranforderungen
- Öfen in anderen Industrien mit ähnlichen Anforderungen

Mit speziellen Brennern für kleinste Leistungen wird die gewünschte Arbeitstemperatur erzielt. Die Brennereinheiten von z.B. 2,0 kW, in geringen Abständen nebeneinander angeordnet, sorgen für die absolut gleichmäßige Beheizung des Glasfeeders.
Brennstoffe
- Heizöl EL
- Erdgas
- Flüssiggas
Einsatzgebiete
- Glasindustrie
Beschreibung und Anwendung
Der Gas-Öl-Kombi-Brenner ist für die Verbrennung von flüssigen und gasförmigen Brennstoffen im Leistungsbereich von 1 bis 40 MW für Kessel und Heißgaserzeuger entwickelt worden. Die Verbrennungsluft wird über 3 getrennte Verstelleinrichtungen so zugeführt, dass über den gesamten Leistungsbereich eine hohe Mischenergie gewährleistet ist. Bei Heizöl erfolgt die Vermischung mit der Zentralluft, wobei durch eine starke innere Rezirkulation die Flamme stabilisiert wird.
Emissionsarm
Eine Absenkung der NOx-Emissionen wird durch die Rücksaugung von Abgas oder Dampfeindüsung ermöglicht. Für die Absaugung der Abgase bietet sich bei Flammrohrkesseln die vordere Wendekammer an, so dass hierfür ein kurzes Rohr mit Kompensator ausreicht. Für den Rezigastransport bietet sich ein Rezigebläse oder eine Körting-Dampftreibdüse an.
![]() |
![]() |
Allgemein
| Leistung von 1 MW bis 40 MW |
In seiner Grundausstattung verfügt der CK Brenner über folgende herausragende Merkmale auf:
- Aufteilung der Verbrennungsluft (Luftstufung)
- Zweigeteilte Gasführung (Brennstoffstufung)
- Gas-/Luftvormischung

| Standardmäßige Brennstoffe: | Regelbereich |
| Erdgas, LPG, Biogas | 1:7 |
| Heizöl EL/S, Diesel - Druckölzerstäubung | 1:4 |
| Druckluft- / Dampfzerstäubung | 1:6 |
Anwendungsgebiete
- Heißgaserzeuger (Trockner)
- Flamm- und Wasserrohrkessel sowie Thermalölerhitzer mit und ohne Verbrennungsluftvorwärmung
|
Typ |
CK 32 3,2 MW |
CK 63 6,3 MW |
CK 100 10 MW |
CK 160 16 MW |
CK 250 25 MW |
CK 320 32 MW |
CK 400 40 MW |
| L | 650 | 700 | 825 | 950 | 1185 | 1650 | 1650 |
| P | 395 | 548 | 683 | 880 | 1032 | 1365 | 1365 |
| ∅R | 580 | 780 | 930 | 1160 | 1450 | 1860 | 1860 |
| T | 911 | 1172 | 1372 | 1736 | 2070 | 2800 | 2800 |
| ∅X | 417 | 583 | 733 | 923 | 1158 | 1698 | 1698 |
| A (Kernluft) | DN 80 | DN 100 | DN 125 | DN 150 | DN 200 | DN 250 | DN 250 |
| D (Rezigas) | DN 100 | DN 150 | DN 200 | DN 250 | DN 300 | DN 350 | DN 400 |
| G (Gas) | DN 65 | DN 80 | DN 100 | DN 125 | DN 150 | DN 200 | DN 200 |
| Gewicht (kg) | 240 | 320 | 645 | 870 | 1350 | 2800 | 2800 |
Andere Dimensionen auf Nachfrage

Beschreibung und Anwendung
Der Mehrstoff-Duoblockbrenner ist für die Verbrennung von staubförmigen, flüssigen und gasförmigen Brennstoffen im Leistungsbereich von 3 bis 75 MW für Kessel und Heißgaserzeuger konzipiert. Der Brenner findet seine Anwendung in den verschiedensten Branchen wie Asphalt, Chemie, Energie und Umwelt, Holzverarbeitung, Prozessdampf, Prozesswärme.
Erweiterung
Die Stufenluftmuffel
![]() |
![]() |
Durch den Einsatz einer Stufenluftmuffel kann zusätzliche Luft, zurückgeführtes Abgas oder Brüden dem Verbrennungsprozess zugeführt und somit die Flammen- / Abgastemperatur beeinflusst werden. Die Mantelluft dient als Stufenluft für den vollständigen Ausbrand des Primärgemisches. Sekundär-, Kern- und Mantelluft können über ein Steuersystem getrennt verstellt werden.
Allgemein
| Leistung von 3 MW bis 75 MW |
Der CKE-Brenner für Staubfeuerung ist mit einer mehrflutigen Luftführung konzipiert. Der Transportluftstrom wird mit hoher Brennstoffbeladung über eine zentrale Ringdüse zugegeben. Die Geometrie des Kernrohres und ein hoher Drall der Sekundärluft um die Staubringdüse erzeugen eine hervorragende innere Rückströmung und stabilisieren die Flamme.
| Standardmäßige Brennstoffe: | |
| Holzstaub | 100% <1,0 mm; 98% <0,5 mm |
| Braunkohlenstaub | 100% <0,5 mm; 98% <0,2 mm |
| Erdgas, LPG, Biogas | |
| Heizöl EL, Industrie Diesel Öl, Heizöl S |
Anwendungsgebiete
- Heißgaserzeuger für Trocknungsanlagen
- Flamm- und Wasserrohrkessel sowie Thermalölerhitzer mit und ohne Verbrennungsluftvorwärmung
- Thermische Entsorgungsanlagen
|
Typ |
CKE 32 3,2 MW |
CKE 63 6,3 MW |
CKE 100 10 MW |
CKE 160 16 MW |
CKE 250 25 MW |
CKE 400 40 MW |
CKE 500 50 MW |
CKE 600 63 MW |
| D | 580 | 780 | 930 | 1160 | 1450 | 1860 | 2060 | 2330 |
| G | 650 | 700 | 825 | 950 | 1185 | 1650 | 1670 | 2073 |
| M | 408 | 568 | 714 | 900 | 1123 | 1446 | 1600 | 1812 |
| S | 1017 | 1240 | 1478 | 1880 | 2060 | 2733 | 2900 | 3015 |
| W | 792 | 998 | 1257 | 1507 | 1900 | 2300 | 2630 | 2850 |
| I (Staub) | DN 40 | DN 65 | DN 80 | DN 100 | DN 125 | DN 150 | DN 200 | DN 200 |
| K (Gas) | DN 650 | DN 80 | DN 100 | DN 125 | DN 150 | DN 150 | DN 200 | DN 250 |
| Z (Öl) | 18 | 18 | 18 | 22 | 22 | 25 (40) | 25 (50) | 25 (50) |
| Gewicht (kg) | 240 | 480 | 900 | 1300 | 1850 | 3400 | 4300 | 5800 |
Andere Dimensionen auf Nachfrage

Beschreibung und Anwendung
Mit dem CKM Brenner bietet die HANS HENNIG GmbH eine innovative und kompakte Lösung für die Zukunft. Der Mehrstoff-Monoblockbrenner ist für die Verbrennung von flüssigen und gasförmigen Brennstoffen im Leistungsbereich von 0,48 bis 15,5 MW für Kessel, Heißgaserzeuger, Trocknungsanlagen und Asphaltmischanlagen sowie für Biomassekessel und Müllverbrennungsanlagen als Zünd, Stütz- und Anfahrbrenner konzipiert.
Kompakt, emissionsarm
Das zweiflutige Luft- und Gas-Düsensystem ermöglicht eine emissionsarme Verbrennung mit hohem Regelbereich. Die Brenner haben eine variable Mischrohr-Eintauchtiefe sowie variable Geläseausführungen und lassen sich somit an jedem Wärmeerzeuger optimal anpassen.
![]() |
![]() |
Allgemein
| Leistung von 0,48 MW bis 15,5 MW |
CKM Gas-/Ölbrenner in monoblock-Bauweise mit digitalem Feuerungsmanagement bis 15,5 MW
- Elektronisches Brennstoff/Luft-Verbundregelsystem
- Feuerungsmanager mit integriertem Gasventildichtprüfsystem sowie Leistungsregler und Busanschluss
- Integrierter O2-Regelung (optional)
- Drehzahlregelung für Verbrennungsluftventilator (optional)
- Fernüberwachung (optional)
- Druckluft- / Dampfdruckzerstäubung für große Regelbereiche, kurze Flammen sowie niedrigste Emissionen
| Standardmäßige Brennstoffe | Regelbereich |
| Erdgas, LPG, Biogas | 1:7 |
| Heizöl EL/S, Diesel - Druckölzerstäubung | 1:4 |
| Druckluft- / Dampfzerstäubung | 1:6 |
Anwendungsgebiete
- Heißgaserzeuger für Trocknungsanlagen
- Flamm- und Wasserrohrkessel sowie Thermalölerhitzer
|
Typ |
CKM 32 | CKM 63 | CKM 100 | CKM 160 | |||||||
| Max. Leistung | 2,7 MW | 3,4 MW | 4,1 MW | 4,7 MW | 5,5 MW | 6,8 MW | 8,2 MW | 9,8 MW | 11,8 MW | 13,3 MW | 15,5 MW |
| D* | 403 | 420 | 450 | 575 | |||||||
| ∅E | 312 | 400 | 490 | 575 | |||||||
| K | 1240 | 1400 | 1700 | 1825 | |||||||
| L | 515 | 615 | 630 | 812 | 750 | 795 | |||||
| M | 450 | 500 | 590 | 650 | |||||||
| N | 670 | 845 | 990 | 1250 | |||||||
| A (Gas) | DN 65 | DN 80 | DN 100 | DN 150 | |||||||
| Z (Öl) | 18 | 18 | 18 | 22 | |||||||
| Gewicht | 490 | 720 | 1175 | 1480 | |||||||
*Mischrohrlänge abhängig von Feuerraum- oder Kesseltyp
Andere Dimensionen auf Nachfrage
![]() |
![]() |
Die Brenner der Serie tg-m sind Monoblockbrenner mit integriertem Gebläse für die Verbrennungsluft, elektrischer Zündung und Überwachung. Sie sind besonders geeignet für den Einsatz an Kühlbahnen und Dekoröfen der Glasindustrie. In Anlehnung an die thermische Beanspruchung aus diesen industriellen Prozessen sind viele Wärmeschutzmaßnahmen vorgesehen.
Technische Daten
- Modulierende Betriebsweise für stufenlose Leistungsanpassung über Drehzahlregelung des Gebläses.
- Pneumatische Gas-/ Luft- Verbundregelung
- Mikroprozessorgesteuerter Feuerungsautomat für intermittierenden Betrieb oder Dauerbetrieb (Option!) zur Steuerung und Überwachung von pneumatisch modulierenden Gasgebläsebrennern mit drehzahlgeregeltem Gebläse und Leistungsreglereingang
- Warmfeste Mischeinrichtung und Stauscheibe.
- In den Anschlussabmessungen kompatibel zu den Brennern der Serie tg1-/1a- wpK. Die elektrische Leistungssteuerung ist in diesem Fall jedoch von einstufi g auf modulierend umzustellen.
Einsatzgebiete
In Kühl-/ Dekorbahnen und andere Nebenöfen der Glasindustrie.

Beschreibung und Anwendung
Staubeinblasfeuerungen werden zur thermischen Nutzung von Produktionsresten z. B. aus der Holzwerkstoffindustrie eingesetzt.
Da die Einblasfeuerung keinen eigenen Zünder sowie keinerlei Überwachungseinrichtung des Feuers besitzt ist sie geeignet um Brennstoffe in den Feuerraum aufzugeben, die für die Hauptfeuerung ungeeignet sind, z.B. Feinanteile fester Brennstoffe die auf einer Rostfeuerung problematisch sind oder in eigenen Silos gesammelt werden.
Staub-/Granulat-Mehrfachdosierung
Um eine optimale Querschnittsbelastung im Kessel zu erreichen werden oftmals mehrere Staub-/Granulatdüsen am Kessel angeordnet. HANS HENNIG bietet eine Mehrfachdosiereinheit bei der aus einem Dosiersilo heraus jede Staub-/Granulatdüse mit einer Dosierschnecke versorgt wird.

Allgemein
| Leistung von 0,9 MW bis 7,8 MW (Holzstaub/-granulat) |
| Standard Luftfaktor = 1,35 |
Die Einblasfeuerung dient als zusätzlicher Eintrag von Staub oder Granulat <5 mm in einen heißen Feuerraum und besteht aus einem zentralen, nahezu verschleißfreien Staub-/Granulatrohr und dem Verbrennungsluftringspalt. Durch die Lufteinlaufspirale wird ein Drall zur optimalen Vermischung von Brennstoff und Luft mit interner Abgasrezirkulation erreicht. Mit der SPS-basierten Steuerung werden alle Düsen und Dosierungen überwacht und je nach Systemanforderung geregelt.
| Standardmäßige Brennstoffe: | Regelbereich |
| Holzstaub/-granulat | 1:3 |
| Granulatförmige Biomasse | 1:3 |
Anwendungsgebiete
- Zusatzfeuerung an Kesseln und Rostfeuerungen

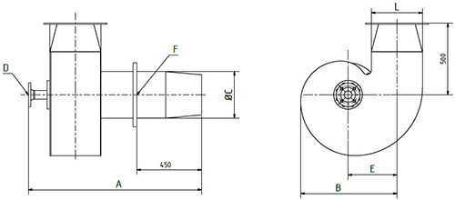
|
Typ |
CHI 40-280 600 kg/h |
CHI 50-355 1000 kg/h |
CHI 65-450 1700 kg/h |
| A | 1130 | 1205 | 1300 |
| B | 542 | 670 | 844 |
| ∅C | 273 | 323,9 | 406,4 |
| E | 277 | 340 | 428 |
| F (Gehäuse, DIN 2633) | DN 250 | DN 300 | DN 400 |
| L (Luft, DIN 24154-R2) | DN 280 | DN 355 | DN 450 |
| D (Staub, DIN 2673) | DN 40 | DN 50 | DN 65 |
| Gewicht (kg) | 180 | 260 | 420 |
Andere Dimensionen auf Nachfrage
Die Zündbrenner ZB (ZB-HT)* xx sind konzipiert für den robusten Einsatz an Industrieofenanlagen. Fertig montiert mit einem Luft- / Gasmischer sowie der Zündelektrode können sie problemlos mittels Feuerungsautomaten oder Flammenwächter im Einelektrodenbetrieb überwacht werden. Die Brenner können mit fest eingestellter Düse oder Nadelventil für Gas geliefert werden.
Technische Daten
- Brennereleistung: von 4 kW bis 25 kW
- Inklusiv Mischer
- Standardlängen: 200 mm, 400 mm, 600 mm
- Langen bis 20.000 mm nach Kundenspezifikationen möglich
- Mit metallischer oder keramischer Düse
- Messnippel zur Feststellung von Gas- und Luftdruck

Anfrageformular
Stellen Sie Ihre Angebotsanfrage für Hans Hennig Produkte direkt online. Füllen Sie dazu das untere Formular aus und senden Sie es ab. Sie erhalten zeitnah eine Antwort auf Ihre Anfrage.



















